Arduino Uno Pinout I2C / Arduino Uno Pins A Complete Practical Guide The Robotics Back End : 20 is the sda while 21 is the scl.

Arduino Uno Pinout I2C / Arduino Uno Pins A Complete Practical Guide The Robotics Back End : 20 is the sda while 21 is the scl.. It has an atmega32u4 microcontroller at its heart. If you are using arduino mega then connect these pins with 20 and 21. I2c requires sda and sdl pins. This library allows you to communicate with i2c / twi devices. Connection of oled display with arduino uno.

Since the architecture doesn't support mu… The arduino uno pins compatible with pwm are the pins 3, 5, 6, 9, 10 and 11. The arduino uno wifi rev 2 is the easiest point of entry to basic iot with the standard form factor of the uno family. Connection of oled display with arduino uno. The vcc and gnd pins of the 128×64 oled display module are connected with the arduino's 5 volts and ground.

Arduino Uno Vs Nano Vs Mega Pinout And Technical Specifications
Arduino Uno Vs Nano Vs Mega Pinout And Technical Specifications from i2.wp.com
There are pins with secondary functions on the table below. Pin connections are as follows for wiring the oled display to an arduino uno. Which pins to use for this differs on some arduino models, but on the uno and nano you use pin a4 (sda) and a5 (scl). The module uses spi, i2c and uart protocol. If you are a beginner with arduino, read this complete guide: If you are using arduino mega then connect these pins with 20 and 21. If the raspberry pi is configured as a master and the arduino as a slave on the i2c bus, then you can connect the sda and scl pins directly. In r3 of original arduino uno, there are two more pins near digital io pin 13 (near the usb socket), dedicated to sda and scl.

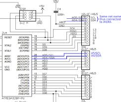
In r3 of original arduino uno, there are two more pins near digital io pin 13 (near the usb socket), dedicated to sda and scl.

But if you have a 16x2 lcd and a i2c module see the step to connect this module to lcd. If you take a look at the pinout of arduino uno from the tutorial arduino uno pinout, analog input pins a4 and a5 have an alternative function of i2c. If you have a i2c lcd please skip this step. If you are not sure were to find the corresponding pins, see the following pictures or for the complete pinout you can vitis the following articles: The arduino uno wifi rev 2 is the easiest point of entry to basic iot with the standard form factor of the uno family. The arduino uno board is divided into digital pins, analog pins and power pins. Oled 128x32 i2c display pinout. The display is connected by utilizing the i2c pins on your arduino. Maybe it's a very old shield from before the new arduino pinout was established. Raspberry pi pinout guide | arduino uno pinout guide. When using an arduino for any project, one of the main areas of concern is the limited inputs and outputs (i/o). Geekcreit 0.96 inch oled display i2c/twi pinout. This library is nice because it includes most of the functions.

Can t get i2c to work on an arduino nano pinout diagrams big which pins should i take for i2c on arduino uno stack overflow arduino uno i2c bus This can be quite useful to control some actuators that require a fine voltage tuning, and are not only switched on or off. The 2 first pins side to usb connector are sda/scl according to documentation. Arduino/genuino uno is a microcontroller board based on the atmega328p ().it has 14 digital input/output pins (of which 6 can be used as pwm outputs), 6 analog inputs, a 16 mhz quartz crystal, a usb connection, a power jack, an icsp header and a reset button. The vcc and gnd pins of the 128×64 oled display module are connected with the arduino's 5 volts and ground.

How To Setup I2c Communication On The Arduino Circuit Basics
How To Setup I2c Communication On The Arduino Circuit Basics from www.circuitbasics.com
Pin connections are as follows for wiring the oled display to an arduino uno. The arduino due has two i2c / twi interfaces sda1 and scl1 are near to the aref pin and the additional one is on pins 20 and 21. I am trying to create an i2c communication bus with an arduino uno. On your arduino / esp8266 you will find two gpios (sda and scl) for the i2c communication. Are the pins that i am using on the uno, just connected to those analog pins? There's a lot of work has and research on this module in arduino. To use it with arduino first to understand where the module should connect with arduino. I see on arduino uno there is twice sda and sdl:

Raspberry pi pinout guide | arduino uno pinout guide.

This oled display works on i2c communication, so it has only four pins. This project will read the position of a potentiometer connected to a master arduino, send the information over i2c, and change the blink rate of the led on the slave arduino. On your arduino / esp8266 you will find two gpios (sda and scl) for the i2c communication. If you are not sure were to find the corresponding pins, see the following pictures or for the complete pinout you can vitis the following articles: The module uses spi, i2c and uart protocol. Front and back view of arduino nano board. This can be quite useful to control some actuators that require a fine voltage tuning, and are not only switched on or off. So i do not understand which pins i can use. It is based on the microchip atmega2560p by atmel. Sda(serial data) carries the data. The arduino uno pins compatible with pwm are the pins 3, 5, 6, 9, 10 and 11. If you take a look at the pinout of arduino uno from the tutorial arduino uno pinout, analog input pins a4 and a5 have an alternative function of i2c. Before starting, remove any power sources going through the arduino and the circuit, as it can be a safety hazard.

Arduino micro pinout, specifications, schematic, and datasheet is given below. 20 is the sda while 21 is the scl. There's a lot of work has and research on this module in arduino. Im looking at the pinout of the atmega328p and it uses a5 and a4 for sda and scl. If you have a i2c lcd please skip this step.

Arduino Uno Pinout Diagram And Board Components
Arduino Uno Pinout Diagram And Board Components from 1.bp.blogspot.com
If you are using arduino mega then connect these pins with 20 and 21. If you are a beginner with arduino, read this complete guide: The image below shows how to connect the geekcreit 0.96 inch oled i2c display to arduino. The arduino micro is a miniature version of the arduino leonardo board. This library allows you to communicate with i2c / twi devices. These secondary pins are mostly communications pins such as i2c and spi. I've been working on building the pieces that i need to make myself a cnc pcb mill for a little while now and the next part of the puzzle is trying to get the arduino to control 3 step motors simultaneously. Arduino mega pinout, pin diagram, schematic and specifications in detail.

Secondary pins are mostly communications pins such as i2c and spi.

If you have a i2c lcd please skip this step. The arduino nano pins, similar to the uno, is divided into digital pins, analog pins and power pins. Front and back view of arduino nano board. This can be quite useful to control some actuators that require a fine voltage tuning, and are not only switched on or off. If the raspberry pi is configured as a master and the arduino as a slave on the i2c bus, then you can connect the sda and scl pins directly. So i do not understand which pins i can use. Maybe it's a very old shield from before the new arduino pinout was established. The arduino due has two i2c / twi interfaces sda1 and scl1 are near to the aref pin and the additional one is on pins 20 and 21. This oled display works on i2c communication, so it has only four pins. (for example, google arduino mega pinout, and check the images). So you have 6 pins where you can create a pwm, using the analogwrite () function. First solder the i2c module. This project will read the position of a potentiometer connected to a master arduino, send the information over i2c, and change the blink rate of the led on the slave arduino.

That takes up a lot of pins, so i'm going to use an i2c enabled lcd because it only needs 4 wires to connect to the arduino arduino uno pinout. This project will read the position of a potentiometer connected to a master arduino, send the information over i2c, and change the blink rate of the led on the slave arduino.

Comments